1、前 言
近年,近α型高溫鈦合金已成為研究熱點。國外,600℃高溫鈦合金研究成果已用于航空發動機上,取得了良好使用效果。如英國的IMI834、美國的Ti-1100、俄羅斯的BT18Y等高溫鈦合金研究成果應用在航空發動機上后,顯著地提高了發動機的性能。IMI834合金是20世紀80年代英國IMI鈦公司和Roll-Royce公司聯合開發的一種鈦合金,使用溫度接近600℃,取代了噴氣發動機原用的IMI685,IMI829合金,一直用在EJ200軍用噴氣式發動機上,還用做R-RTrent系列商用噴氣式發動機壓氣盤和高壓壓氣機渦輪盤[1-6]。

國內高溫鈦合金研究也取得了重要的進展與成果,如中國科學院金屬研究所和寶鈦集團有限公司開發的Ti60鈦合金、西北有色金屬研究院開發的Ti600高溫鈦合金。相關單位還在繼續對航空發動機壓氣機盤和渦輪盤用高溫鈦合金開展深入研究,不斷滿足航空發動機對高溫鈦合金的要求。Ti60,Ti600[2]高溫鈦合金是國內鈦合金研究成果的重要代表,具有國際先進水平。
為滿足600℃下航空發動機壓氣機盤所需材料的性能設計要求,開展了高溫鈦合金成分和顯微組織的研究。在合金成分(Ti-Al-Sn-Zr-Mo-Nb-Ta-Si系)確定的前提下,通過對合金鍛造和熱處理工藝的研究,控制合金的α2強化相和硅化物相的成形形態和數量,使該合金的環材組織為雙態組織,從而保證該合金具有良好的綜合性能,以期該合金環材在航空發動機壓氣機盤上得到應用。
2、實驗
實驗采用寶鈦集團有限公司真空自耗爐熔煉的4t工業鑄錠,其ɑ+β/β相轉變溫度為1045℃。
鑄錠經β相區開坯成棒坯,棒坯下料后在β相區和ɑ+β兩相區采用多火次鍛造工藝,鍛制出?460/?220mm×160mm的環材,環材經雙重退火后切取試樣,分別進行拉伸、熱穩定、蠕變、斷裂韌性和顯微組織等項目檢測。拉伸試驗在德國的Zwick萬能試驗機上進行,其中熱穩定性試樣需要在600℃進行100h的熱暴露;利用ZeissAxiovert200MAT金相顯微鏡觀察熱處理前后的金相顯微組織,利用掃描電鏡和透射電鏡檢查強化相α2和硅化物;在SANS-GWT105高溫蠕變持久試驗機上進行蠕變及持久實驗,蠕變試驗條件為600℃/160Mpa/100h,持久試驗條件為600℃/310MPa;斷裂韌性試驗采用緊湊拉伸試樣,在MTS810材料試驗機上進行。
3、結果及討論
3.1 顯微組織
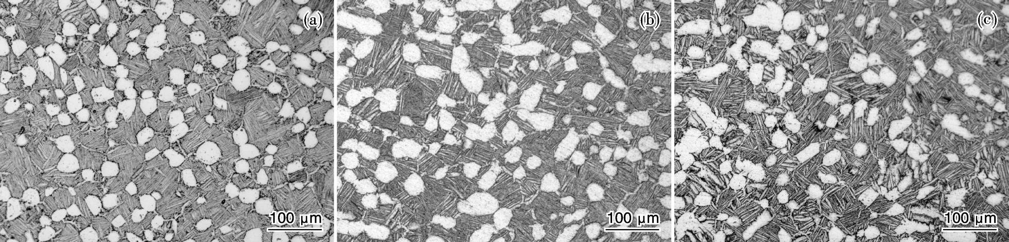
環材在α+β兩相區鍛造后不同部位的鍛態金相顯微組織見圖1。從圖中已經觀察不到原始β晶界,初生α相呈等軸狀或橢球狀,長條狀初生α相較少。
由于環材在α+β兩相區變形量較大,長條狀的連續晶界α相被充分破碎,保證了環材的室溫塑性和熱穩定性。環材不同部位的鍛態組織差別不大,環材外緣和內緣初生α相的形態雖然有些差別,但數量卻相差不大(見圖1a和圖1c),說明內外緣的變形溫度和冷卻速度均相差不大。但因熱加工變形量的均勻性存在差別,外緣處變形均勻,初生α相等軸化程度較好(大小均一且分布均勻),而且環材內外處變形均勻性和冷卻條件相對不一致,導致初生α相等軸化程度和體積稍有差別;環材1/2R處由于冷卻速度較慢、熱加工時變形更均勻,因此初生α相的比例更大、等軸化程度更好一些。

圖1 環材的鍛態顯微組織:(a)外緣;(b)1/2R處;(c)內緣
Fig.1 Microstructuresofforgedring:(a)outSide;(b)1/2radius;(c)inSide
環材經過雙重退火熱處理后的顯微組織見圖2。 從圖2中可以看到,α+β兩相區熱加工的環材,經過雙重退火熱處理后環材為較均勻的雙態組織。與鍛態組織相比,其初生α相含量明顯減少,其等軸初生α相體積分數減少為25%~30%,且環材各個方向組織更加均勻一致。

圖2 環材經雙重退火熱處理后的顯微組織:(a)弦向;(b)徑向;(c)軸向
Fig.2?。停椋悖颍铮螅簦颍酰悖簦酰颍澹铮鎀i60ringafterduplexheattreatment:(a)chordwise;(b)radialdirecTion;(c)axialdirecTion
3.2 硅化物和α2強化相
為了提高熱強性,Ti60鈦合金中加入了較高含量的Si。通過透射電鏡觀察,發現合金中有硅化物析出(見圖3)[3]。由于Si在β鈦中的溶解度大大超過在α鈦中的溶解度,硅化物伴隨著β鈦向α鈦的轉變而析出,析出位置是在α/β相界面附近和殘余β相中,多以線形排列。而在α鈦中,硅化物析出量很少。

圖3 Ti60合金中析出的硅化物:(a)明場像;(b)暗場像
Fig.3?。裕牛停恚椋悖颍铮纾颍幔穑瑁螅铮鍿ilicidesprecipitatedinTi-60alloy:(a)brightfield;(b)darkfield
Si對高溫鈦合金的性能影響有兩個方面。一方面是Si固溶于基體內,容易聚集成氣團,對位錯運動起到強烈的阻礙作用,從而起到固溶強化的作用。當位錯運動時,氣團落后于位錯,對位錯起到釘扎作用,因而可以提高蠕變抗力。另一方面,Si以硅化物的形式析出,也可以阻礙位錯運動,起到沉淀強化的作用。但硅化物析出過多,會導致基體內固溶的Si元素減少,從而降低蠕變抗力。有研究表明[5],Si的添加量超過0.35%即可達到較好的高溫蠕變性能。因此,在較高Si含量的高溫鈦合金中,適當控制硅化物細小彌散析出,可起到顆粒強化作用,強化晶界和相界,從而提高合金的蠕變性能和其它綜合性。
Ti60為高鋁當量高溫鈦合金,透射電鏡觀察發現有α2強化相(見圖4)。α2相的高溫強度遠高于α相,使得利用α2相強化合金成為可能,但α2相也有脆化作用,這種作用與α2相的含量、尺寸、形狀和分布有關。通過工藝要素控制α2相含量將實現高溫蠕變性能和室溫拉伸塑性及熱穩定性的最佳匹配。

圖4 700℃時效熱處理后初生α相中析出的α2相
Fig.4?。校颍澹悖椋穑椋簦酺ionofα2phaseintheprimaryαphaseafterageingtreatmentat700℃
3.3 拉伸、熱穩定、蠕變和斷裂性能
Ti60合金的室溫和600℃拉伸、熱穩定性、蠕變和斷裂性能如表1、表2所示。

從表1和表2可以看出:Ti60高溫鈦合金具有較好的綜合性能,它的室溫拉伸性能、高溫拉伸性能、蠕變性能及斷裂韌性等均與IMI834合金相當。
4、結論
(1)通過鑄錠在β相區鍛造開坯和在α+β兩相區多火次鍛造成環材及環材經雙重退火的熱處理工藝,可有效控制α2強化相和硅化物形態與數量,獲得的環材金相組織為典型的雙態組織。
(2)Ti60高溫鈦合金具有良好的室溫拉伸、高溫拉伸、熱穩定性、蠕變和斷裂韌性等綜合性能,其主要性能與英國的IMI834合金相當,適合作為600℃條件下使用的航空發動機壓氣機盤、葉片等構件的候選材料。
參考文獻
[1]萊茵斯C,皮特爾斯M.鈦與鈦合金[M].陳振華,譯.北京:化工出版社,2005:300.
[2]洪權,張振祺,楊冠軍,等.Ti600合金的熱機械加工工藝與組織性能[J].金屬學報,2002,38(增刊1):135.
[3]張鈞,李東.高溫鈦合金中的α2相[M].沈陽:東北大學出版社,2002:56-60.
[4]趙亮,喬璐,石衛民,等.熱加工對Ti60合金β原始晶粒尺寸分布的影[J].稀有金屬材料與工程,2008,37(6):343-345.
[5]NealDF.DevelopmentandevaluaTionofhightemperaturelloyIMI834[C]//LacombeP,TricotR,BerangerG.Proc6thWorldConfonTitanium.Cannes,France:LesEdiTionsdePhySique,1988:253-258.
[6]NealDF.OptIMIzaTionofcreepandfaTiguereSistanceinhightemperatureTialloysIMI829andIMI834[C]//Lutejer-ingG,ZwickerU,BunkW.TitaniumScienceandTechnol-ogy.Munich:DGM,1985:2419-2424.
[7]NealDF,FoxSP.TheinfluenceofSilicidesontheproper-Tiesofnear-alphaTitaniumalloys[C]//FrosFH,CaplanI.Titanium92ScienceandTechnology.SanDiego,Califor-nia,USA:TheMinerals,MatalsandMaterialsSociety,1993:287-294.
相關鏈接
- 2024-04-24 Ti60鈦合金棒材中的織構及其對拉伸性能的影響
- 2024-04-19 體育器材用Ti60鈦合金棒高溫塑性性能和微觀組織試驗研究
- 2024-04-15 Ti60鈦合金棒坯等溫鍛造工藝研究
- 2024-04-07 熱處理對航空發動機用Ti60鈦合金棒材組織及性能的影響
- 2024-04-01 利泰金屬談鍛造工藝對Ti60合金棒材組織和性能的影響
- 2024-02-14 固溶冷卻方式對Ti60鈦合金大規格棒材組織和力學性能的影響
- 2024-02-09 熱暴露對激光沉積Ti60A高溫鈦合金組織性能影響
- 2024-02-04 航空發動機用Ti60高溫鈦合金棒材的超塑性拉伸行為及組織演變
- 2024-01-17 鍛造溫度對航空航天領域用大規格Ti60鈦合金棒材組織及性能的影響
- 2023-11-12 Ti60鈦合金在不同溫度下的超高周疲勞壽命預測

